LED chase light

This is one of the first electronic circuits I built, dated October 1982.

The chase light in action

Circuit

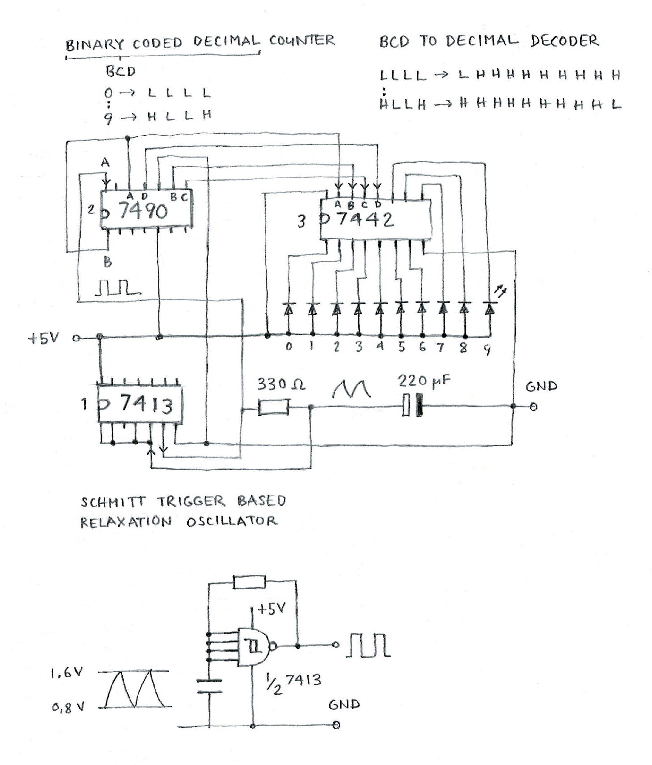
The circuit essentially consists of three elements: an oscillator (generates the "beats"), a counter (counts them in binary), and a decoder (converts binary to decimal – ten dots). There is an IC for each:

Oscillator: A 7413 PC (Fairchild, Indonesia, date code 8009). This is a dual 4-input NAND gate Schmitt Trigger. The 4 inputs of one of the gates are connected to make a NOT gate. A capacitor is charged and discharged through a resistor depending on the state of the output. The capacitor is also connected to the gate input, effectively changing the gate's state depending on its charge level. The output goes to the input of the next chip:

Counter: A 7490 APC (Fairchild, Singapore, date code 8044). This is a decade and binary counter.

Decoder: A SN7442 AN (Texas Instruments, England, date code 8127). This is a BCD to decimal decoder.

The circuit

PCB

I laid the traces on transparent film – at the time normally used for overhead projector slides – using the then common black masking tape, about 0.5mm and 1mm wide. The tape was lightly corrugated so that it could be easily bent into curved traces. For pads and letters I used transfer film with symbols. I then exposed the PCB with my mother's tanning lamp which had a high pressure bulb for ultraviolet and also an infrared component, so I had to be careful not to burn anything.

Board bottom
Tools of the trade in 1982...

Enclosure

The idea for the enclosure came from my brother who thought that the chase light was a cool party gadget (it's the 80s after all), so we made it wearable by putting it inside a transparent compact cassette cover and adding a chord.